На сайте Banggood.com нашёл наиболее дешёвую 100 Вт версию, по сравнению с Aliexpress, китайского трансивера RS-998 (Волк), разработки тамбовского радиолюбителя UA3REO Дмитрия. С пересылкой и растаможкой получилось 1043 евро (доставка 10 евро, растаможка 170 евро!). Сейчас дополнительно подешевел на 49 евро!

По информации радиолюбителей, которые самостоятельно собирали эту конструкцию, стоимость деталей для сборки трансивера составляет более 1000 USD по ценам комплектующих на сегодняшний день. Сопоставив эту информацию со стоимостью готового китайского варианта Волка, стоящего такую же сумму, решил не тратить время на поиск деталей, а сразу же взять собранный трансивер и, по возможности, довести его до ума.
В данный момент трансивер уже отправлен на мой адрес, жду доставку в середине ноября. Свои впечатления буду выкладывать здесь, по мере их поступления.
=========================================================
По информации коллег, купивших ранее RS-998 (в одной из модификаций), китайские "Волкостроители" сэкономили на индуктивностях полосовых фильтров приёмного тракта трансивера, установив в нём низкодобротные многослойные Чип индуктивности. Это значительно снижает подавление за полосой пропускания фильтров и приводит к появлению паразитных каналов приёма! Неплохой вариант предложил Владимимр Карпелянский на своём YouTube канале - использовать Амидоновские колечки минимально возможного для ручной намотки диаметра 6 мм: T25-6 и T25-2.
Используя программу RfSimm99 просчитал все фильтры с указанными на схеме полосами пропускания, 5 порядка, с Чебышевскими характеристиками. Одновременно проверил теоретические характеристики авторского варианта полосовых фильтров. Результат не порадовал, так как в авторском варианте подавление второй гармоники на НЧ диапазонах, относительно центра полосы пропускания, оказалось хуже на 5...6 дБ, а на верхних диапазонах хуже на 15 дБ! То есть, крутизна верхнего (более плавного) ската характеристики авторских фильтров оказалась значительно хуже.
Я не старался подогнать номиналы ёмкостей и индуктивностей этих фильтров под стандартный ряд номиналов, так как индуктивности на колечках можно намотать под любое значение, контролируя его измерителем индуктивности, а конденсаторы я собираю из нескольких штук, запаивая их этажеркой друг над другом.
В одном из европейских интернет радио магазинов нашёл нужные колечки по приемлемой цене (12...22 цента, в зависимости от материала + НДС + пересылка), даже T25-10 и T25-17, для верхних ВЧ диапазонов, но заказ должен быть на сумму не менее 30 евро + 17 евро пересылка!
=========================================================
14.11.2025 г.
Сегодня получен RS-998, упакованный в переносной чемоданчик, что, конечно, не могло не порадовать - обеспечена сохранность трансивера при транспортировке! Первым делом решил проверить все любительские диапазоны на наличие спуров и комбинационных помех при отключенной антенне и был приятно удивлён! Мелкие спурчики, практически видные только чуть чуть на панораме и не отклоняющие стрелку S-метра вначале отмечал, но они настолько малы и также мало их количество, что я перестал обращать на них внимание. Практически на уровне шума. Первые значительные спуры обнаружились только на 10 метровом диапазоне - 28363 (S=4), 28800 (S=1), 29272 (S=2). Затем на 6 метровом диапазоне - 50181 (S=4). На 2 метровом диапазоне - 144000 (S=5), 144004 (S=3), 144384 (S=3), 145060 (S=5). И это всё! Как видим, вполне и вполне хорошие результаты!
Уровень шума при отключенной антенне составил в SSB (3 кГц) - 131 дБ, в CW (500 Гц) - 147 дБ! То есть уровень шума трансивера составляет 0,063 и 0,009 мкВ.
По формуле Найквиста для теплового шума при окружающей температуре 20 градусов Цельсия, минимально достижимый уровень шума составляет Uш=√4kTRdF и составляет 0,016 мкВ для полосы пропускания тракта трансивера 3 кГц и 0,0064 мкВ для полосы пропускания 500 Гц.
Где k = 1,38 * 10-23 ,
Т=20°С=293,15°К,
R=50 Ом,
dF=3000 (500) Гц.
Согласно выше приведённой формуле, соотношение уровня шума при изменении полосы пропускания 3/0,5 кГц должно быть 2,5 раза или 8 дБ. У меня получилось 16 дБ - нужно разбираться, вполне вероятно, что при переходе с SSB на CW был выключен внутренний усилитель FPGA. При случае, перемерю.
На ВЧ диапазонах не заметил никаких паразитных каналов приёма ФМ вещательного диапазона (хотя у меня до ретранслятора всего 4 км (!)), как это было у Алексея Игонина в его роликах на YouTube. Возможно, что дополнительную селекцию я получил из-за согласующего устройства между трансивером и антенной.
Мощность трансивера на передачу, ток потребления трансивером, в NFM режиме составили:
160 90 Вт 15 А
80 95 Вт 12 А
40 90 Вт 13 А
30 55 Вт 10 А
20 60 Вт 11 А
17 51 Вт 8 А
15 42 Вт 7.5 А
12 36 Вт 7.5 А
10 39 Вт 8 А
6 0 Вт 7 А
2 50 Вт 8 А
Очень большой спад мощности при увеличении частоты передачи. На 6 метровом диапазоне вообще нет ничего на выходе, несмотря на увеличение потребления тока трансивером до 7 А!
Будем вскрывать и смотреть, в чём причина.
=========================================================
Вскрытие показало...
1. Очень качественное внутреннее исполнение трансивера!

2. Все диапазонные полосовые фильтры выполнены на фирменных SMD индуктивностях!

3. Отличная внутренняя экранировка междуплатного пространства и внутри установлен дополнительный куллер охлаждения материнской платы!

4. Отсутствует ФНЧ 6 метрового диапазона.

5. Хорошая экранировка внутренних DC-DC преобразователей! Что и объясняет столь малое количество спуров и внутреннего шума!

6. Установлен 60 Вт модуль усилителя мощности на 144 мГц. К его креплению прикручен отдельный датчик контроля температуры радиатора трансивера.

7. Все крышки трансивера по торцам промазаны клеем для устранения вибрации корпуса при работающих динамиках.
8. Кстати динамики очень низкого качества, 4 Ома 1 Вт. На них сэкономили точно, при таких размерах корпуса можно было поставить что-то получше - овальные, с ферритовыми магнитными системами, которые развивают большее звуковое давление и имеют лучший частотный диапазон.
==========================================================
Токи покоя выставил заново - 350 мА на каждый транзистор драйвера RD16HHF1 и по 1 А на каждый транзистор оконечного каскада на транзисторах RD100. Прослушал свой сигнал на втором трансивере - искажения нет.
Провёл измерения уровня сигнала на входе усилителя мощности, то есть после цифроаналогово преобразователя (ЦАП) и широкополосного усилителя после него на OPA2673. Выяснилось, что завал выходного напряжения в зависимости от частоты происходит уже здесь:
160 0,6 В
80 3,12 В
40 3,28 В
30 2,0 В
20 3.44 В
17 1,2 В
15 1,12 В
12 1, 76 В
10 1,88 В
6 0,72 В
Как видим, без измерительных приборов, покупка данного трансивера может оказаться проблемой, если хотите получить равномерную мощность по всем диапазонам. Следующий этап настройки - вскрытие экрана материнской платы, на которой установлена микросхема ЦАП и усилитель OPA2673 и снятие частотной характеристики этого усилителя при нагрузке 50 Ом, он должен выдавать 3,54 В на КВ и 2,13 В на УКВ диапазонах.

=========================================================
Снят экран, вид на материнскую плату трансивера. Вентилятор можно не использовать, так как на АЦП и FPGA установлены радиаторы:

Отсутствуют кабели SMA разъёмов, для подключения трансвертеров, внутри корпуса трансивера! Просто красивая иммитация их наличия на задней стенке трансивера. Разъёмов для их подключения на платах тоже нет, только если ставить SMA тройники в существующие разъёмы перед АЦП и после ЦАП трансивера:

=========================================================
С уровнями после усилителя ЦАП OPA2673 удалось разобраться включив скрытое меню трансивера (Спасибо Вячеславу с форума Телеграмм, где я задал вопрос на эту тему!). На каждом диапазоне можно отрегулировать уровень на выходе ЦАП, используя скрытое меню Calibration -> TX. Для этого нужно нажать кнопку входа в Меню F8 и затем повторно, с удержанием, пока не появится скрытое меню. По описанию, уровень на выходе OPA2673 должен быть 3.54 В действующего значения напряжения или размах 10 В пик-пик на КВ диапазонах.
Проверил осциллографом, что неискажённый уровень на этом выходе может достигать 5 В действующего значения напряжения!
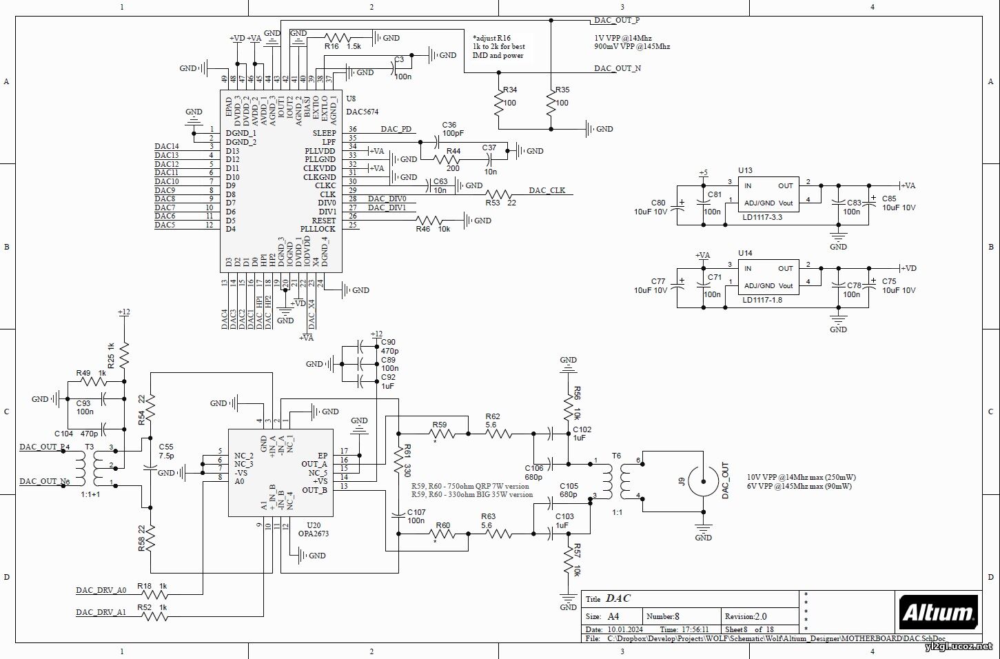
В обвязке микросхемы ЦАП, на её выводе LPF (вывод 35) нужно вернуть номиналы элементов согласно последней авторской схеме. R44 - 200 Ом, С36 - 100 пФ, С37 - 10н.
В обратной связи микросхемы OPA2673 стоят резисторы номиналом 1.2 кОм, что явно много, необходимо уменьшить их номинал до авторских 750 Ом!
Далее переходим к настройке оконечного каскада, так как даже правильно установленные уровни на входе усилителя не привели к подъёму мощности на ВЧ диапазонах.
=========================================================
Подозрение, в первую очередь, пало на марки ферритов выходного и симметрирующего трансформаторов. Их замена ничего не дала и двигаемся дальше - проверил номиналы корректирующих конденсаторов в стоковых цепях RD100, C57 и C60 в сумме 1600 пФ, С52 и С56 по 130 пФ. Установил авторские значения. Драйвер на RD16HHF1 работает хорошо, с небольшим подъёмом усиления к 10 метровому диапазону. Подозрение вызвала работа ФНЧ, АЧХ которых нужно будет проверить в будущем и их согласование с РА, поэтому эквивалент нагрузки подключил непосредственно в выходному трансформатору Т1. Позднее характеристики этих фильтров были сняты и находятся в архиве сайта ЗДЕСЬ.
По согласованию ФНЧ с усилителем мощности на RD100 - посмотрел значения КСВ на входе фильтров при нагрузке их выхода на 50 Ом, отсоединив ФНЧ от усилителя мощности:
160 - 1.3
80 - 1.3
40 - 1.2
30 - 1.5
20 - 1.0
17 - 1.6
15 - 1.2
12 - 1.5
10 - 1.3
=========================================================
С самого начала обратил внимание на бледную маркировку выходных транзисторов RD100, оригинальные, которые были у меня в наличии, имеют более контрастную надпись! И оказался прав! Заменил транзисторы на новую пару.... и с ней не удалось выставить ток покоя - подстроечные резисторы оказались в крайнем положении, а ток не возрастал. Проверка номиналов резисторов смещения показала, что резисторы R5 и R6 делителя напряжения имеют номинал 1 кОм, вместо 47 Ом! После замены их на нужные номиналы, ток покоя транзисторов стал регулироваться. Китайцы подогнали значение этих резисторов под свои транзисторы!
Это говорит о том, что у китайских коллег были установлены левые транзисторы с перемаркировкой! Они были более чувствительные к напряжению затвора и нужный ток покоя через них устанавливался при меньшем напряжении!
После установки токов покоя новой пары транзисторов оконечного каскада, выходная мощность на эквиваленте подключённого в выходному трансформатору Т1, подскочила аж до 200 Вт! Пришлось срочно убирать усиление RF Gain по диапазонам в меню трансивера!
Вот такая работа была проделана с этим экземпляром трансивера. Кому-то везёт и стоят оригинальные транзисторы, вообщем, китайская лоторея! :)

=========================================================
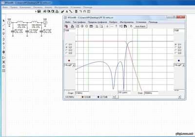
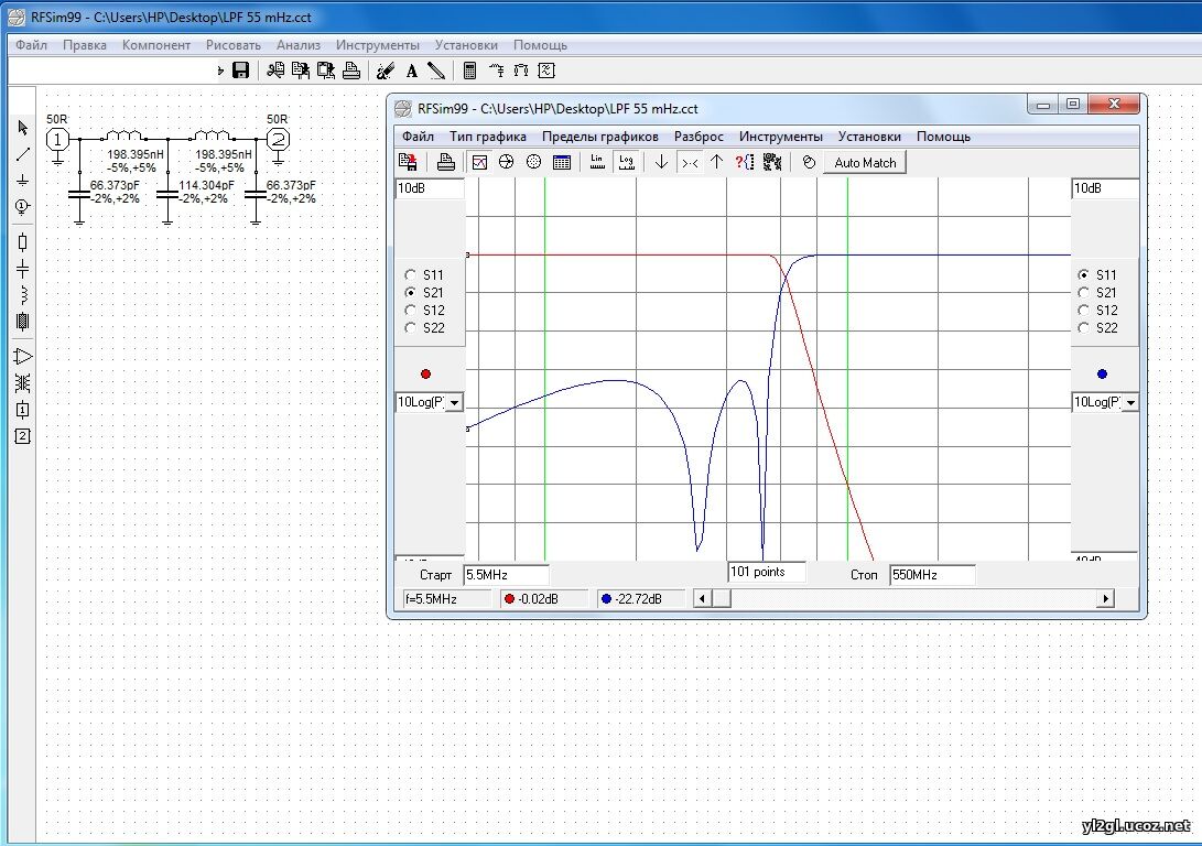
Установил катушки по 5 витков D=10мм (по авторским данным) на свободные места ФНЧ 6 метрового диапазона. Получил большую неравномерность АЧХ и КСВ с стороны PA равное 3! Пришлось заняться пересчётом фильтра при помощи программы RFSimm99 для частоты среза 55 мГц.
Собрал макет фильтра - получил идеальную характеристику при КСВ = 1.1 при нагрузке фильтра на 50 Ом. Катушки 6 витков D=10мм и длине намотки 15 мм, провод 0.8 мм. При установке фильтра в трансивер нужно учесть ёмкость монтажа, уменьшив на это значение номиналы ёмкостей фильтра!

Хотелось бы сказать пару слов по поводу компановки печатных плат и их размещения в корпусе трансивера. Однозначно платы рассчитывались так - спаял плату и забыл! Но для того, чтобы добраться до нужного элемента на печатной плате, зачастую её нужно снимать, так как детали находятся на обоих сторонах платы, и вот тут начинаются приключения. А если его ещё нужно подобрать деталь по номиналу на работающем трансивере, то это вообще мрак! Как по мне, пусть плата будет большего размера, но обеспечен свободные доступ ко всем элементам! А ещё лучше - основные каскады трансивера на отдельных платах, что намного технологичней в плане настройки и ремонта!
Вот и сейчас, чтобы заменить конденсаторы ФНЧ 6 метрового диапазона на новые, необходимо снять всю плату радиотракта трансивера - 15 болтов и гаек! Чтобы проверить работу ФНЧ после переделки, нужно подать на плату питание, а значит нужно поставить её на место. Что-то пошло не так - опять её снимай. Если бы ФНЧ, полосовые фильтры, усилитель мощности были бы на отдельных платах, то столько проблем бы не возникало. Плюс, можно было бы обеспечить качественную экранировку каждого каскада по отдельности. Это всё реализовано в трансивере Волк-100D, и как следовало ожидать - исчезли наводки на радиотракт от работающего дисплея!
Это всего лишь мои мысли на эту тему, авторам моя благодарность за столь удачный трансивер!
==========================================================
06.12.2025
Обнаружена следующая проблема - китайцы установили на материнской плате трансивера не тот тип TCXO 12.288 мГц! Уровень на его выходе составляет всего 380 мВ, что не достаточно для работы ФАПЧ микросхемы ПЛИС и из-за этого не работает режим коррекции частоты трансивера.

Необходимо либо увеличивать уровень выхода генератора при помощи доп. усилителя, либо заменить сам генератор на правильный, обеспечивающий нужный уровень его выхода - HCMOS. Как более простой вариант при отсутствии замены - собрать резистивный делитель напряжения на входе ПЛИС для смещения амплитуды сигнала генератора в "ворота" логики ПЛИС:

|