Вторник, 10.03.2026, 20:26

YL2GL

Валерий Тетерюк

Форма входа
Меню сайта
Сейчас на сайте
Статистика

Онлайн всего: 1
Гостей: 1
Пользователей: 0
**************************** Yl2gl.ucoz.net стоит $2,447.83
Календарь
«  Июль 2011  »
Пн Вт Ср Чт Пт Сб Вс
    123
45678910
11121314151617
18192021222324
25262728293031
Комментарии
Доработка измерителя мощности и КСВ!

Посмотрел ещё раз меню устройства - ничего в программе менять не нужно, там только выбирается тип микросхемы измерителя тока ADS712, так что всё должн

Новости форума
  • Широкополосный эквивалент антенны мощностью 250 Вт. (1)
  • Создание трансиверной приставки к приёмнику "Волна-К". (17)
  • Простая схема электронного CW ключа поляризованном реле РП-4 (0)
  • Эхо репитер на базе микросхемы ISD1820. (10)
  • Друзья сайта
    Радиолюбительский сайт YL2GL - схемы,конструкции,описания http://ur5yfv.ucoz.ua/ur5yfv.gif YL3BU.lv Ham Radio page Сервер Кубанскик радиолюбителей Сервер радиолюбителей России - схемы, документация,
 соревнования, дипломы, программы, форумы и многое другое! Всё про ПЗР и не только... Сайт UR8QP Радиолюбительский сайт RU3GA

    РадиоКОТ - популярно об электронике. Авторские схемы, новые разработки. Обучение по электронике, микроконтроллерам, ПЛИС. Форум Все для начинающего радиолюбителя схемы новости электроники История радиолюбительства Запорожья UR4QBP SDR-RADIO HOME PAGE О спутниковом ТВ и СВ радиосвязи в Латвии RU-QRP Club Синтезаторы, эквалайзеры, компрессоры, эхо-процессоры для трансивера
    Главная » 2011 » Июль » 27 » Цифровой измеритель мощности и КСВ метр на PIC 16F873А.
    08:20
    Цифровой измеритель мощности и КСВ метр на PIC 16F873А.
     
    С интересом прочитав форум на тему - "Цифровой измеритель мощности и КСВ на PIC`e" от UN7GCE на форуме Краснодарского сайта cqham.ru, и решил попробовать собрать такой прибор.
    Отдельная благодарность UN7GCE Евгению и коллегам, поддержавшим столь интересную тему!
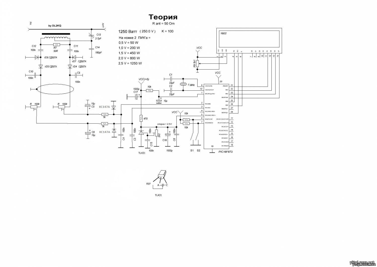
    Итак, схема прибора (это первый вариант, новый - второй вариант отличается схемой подключения индикатора 1602 и программами прошивки):
     
     
    Прибор имеет два диапазона измерений, например: 120/1200 Вт, 180/1800 Вт, 200/2000 Вт, выбор которых определяется номером прошивки и положением перемычки (джампера) на плате - 1:1 или 1:10.
    Вид выводимой на дисплей прибора информации (с или без показаний мощности отражённой волны), можно также изменить, замкнув или разомкнув соответствующую перемычку на плате прибора.
     
    *
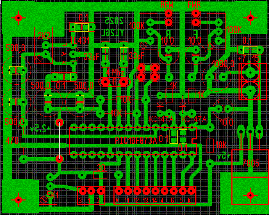
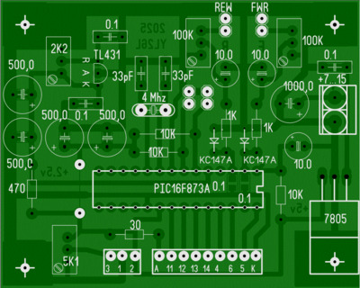
    Один из вариантов печатной платы прибора, для немного отличающейся, упрощённой схемы, с одним пределом измерений, приведён ниже и нужно учесть, что на плате есть ошибка - 8 вывод PIC нужно соединить с "землёй". Электролиты на столь большие ёмкости, установленные после стабилизаторов напряжения 5В и 2.5В - не нужны, там достаточно электролитов ёмкостью до 100 мкФ, так как в момент включения прибора могут выйти из строя маломощные стабилизаторы. Если будете использовать микросхему LM336, то нужно помнить, что цоколёвка LM336 отличается от цоколёвки TL431, которая стоит на печатной плате. TL431 предпочтительней, так как имеет в четыре раза больший ток регулирования:
     
     
     
    В формате *.lay эту плату можно скачать отсюда:
     
     
    Вариант от RV3AM, для двухдиапазонного, авторского варианта, с применением SMD деталей (тоже есть неточность - вторая ножка индикатора 1602 должна соединяться с близлежащим "пятачком" +5В и под другую версию прошивок, которая есть здесь:
     
    http://www.cqham.ru/forum/showthread.php?t=12716 - второго варианта прибора):
     
     
    В формате *.lay эту плату можно скачать отсюда:
     
     
    **
    Прошивки PIC контроллера выложены здесь:
     
    - остальные можно найти на форуме, ссылка на который приведена в начале статьи.
     
    Существует два варианта прошивок - для использования в схеме измерителя кварца 20 мГц и кварца 4 мГц. Я, лично, использовал кварц на 4 мГц и соответствующую прошивку из архива (в номере прошивки, первая цифра - частота кварца генератора PIC).
    Дополнительно, эти два варианта прошивок существуют для старой и новой версии прибора.
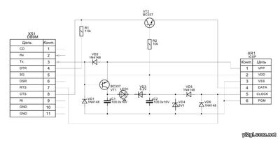
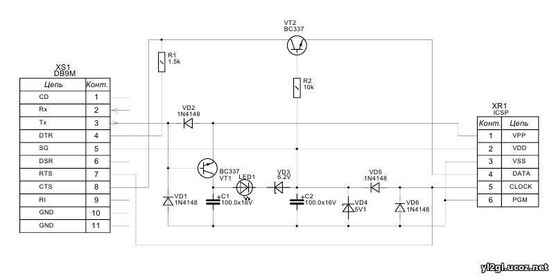
    Для программирования PIC контроллера 16F873А можно использовать простейший JDM программатор, без внешнего питания, подключаемый к COM порту компьютера, предназначенный для программирования PIC 16F84 или 16F628, подключив его к PIC 16F873А, через переходник, по следующей таблице:
     
    16F84 (16F628)               16F873А (16F873)
     
    14    (Vdd)                      ----       20
    5      (Vss,PGM,GND)       ----       8,19
    4      (Vpp)                      ----       1
    13    (Data)                     ----       28
    12    (Clock)                   ----       27
     
                               
    Схема простого JDM программатора:
     
     
    Программа для программирования PIC - я использовал программу ICprog.
     
    Если нет в наличии панельки для микросхемы PIC контроллера на 28 выводов, то можно составить её из двух панелек по 14 выводов.
     
    ***
    Схему прибора можно дополнительно упростить и немного удешевить, не используя микросхему сброса PIC при включении - MC33064, вместо неё, подключив на первую ножку PIC контроллера и на "землю" электролит 1...10 мкФ. Резистор 10 кОм остаётся на своём месте. Проверено - работает не хуже!
     
    ****
    Настройка измерителя очень проста - в начале нужно добиться величины опорного напряжения ровно 2.5В, на 5 ножке PIC, при помощи, соответствующего этой цепи, подстроечного резистора 10 кОм.
    Затем, нагрузив выход ВЧ ответвителя эквивалентом 50 Ом и подав на вход ответвителя известную мощность, регулируем подстроечный резистор прямой волны до получения на индикаторе прибора нужных показаний мощности. Затем, изменив сопротивление эквивалента в два раза - 100 Ом или 25 Ом, подав на вход ВЧ ответвителя ту же мощность, подстраиваем подстроечник в плече обратной волны до получения на индикаторе прибора КСВ равного двум.
    Настройка окончена! 
     
    Ну, вот и фотографии рабочей платы и самого прибора.
    Плата:
     
     
     
    Измеритель в работе с Tandem Mach 
     http://yl2gl.ucoz.net/news/ehksperimenty_s_tandem_mach_dlja_izmeritelja_ksv/2011-07-24-86 и моим Пилигримом-SMD (нагрузка - эквивалент 50 Ом):
     
     
     
    Если после первого включения прибора у вас будет на экране индикатора присутствовать какая-то закорючка, то меняйте версию прошивки, так как может быть путаница между версиями (старой и новой) измерителя.
    Даже, при отсутствии ВЧ датчика, на экране дисплея индикатора 1602, должны высвечиваться соответствующие надписи, с нулевыми показаниями уровней мощности и КСВ.
     
    Компоновка в коробочке:
     
     
    В комплекте с Пилигримом-SMD:
     
     
     
     
    ************************************************************
     
     Позднее, Евгений выложил новые версии прошивки для цифрового измерителя мошности и КСВ - в архиве прошивки на 3-6-30-120-180-300-600-1200-1860 ватт. Плюс схема (на всякий случай, чтобы легче было разобраться, для какой версии прибора эти прошивки):
     
     
     Успехов в повторении прибора!
     
    =======================================================
    31.08.2025 г.
     
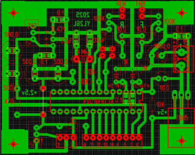
     При повторном изготовлении прибора была доработана печатная плата (ПОД СТАРЫЕ ПРОШИВКИ!):
    1. Переработана под стандартные подстроечные резисторы типоразмера 3296.
    2. В цепи сброса контроллера микросхема MC3306 заменена обычным электролитом, что нисколько не сказывается на работоспособности прибора - при включении формируется короткий отрицательный импульс, пока электролит заряжается.
    3. Добавлена дорожка земли на 8 ножку контроллера - раньше была перемычка проводом.
    4. Добавлены защитные стабилитроны КС147А.
     
     
     
     
     
     Рисунок печатной платы в *.lay6 формате можно скачать ЗДЕСЬ.
    Зеркалить рисунок платы для "утюжного" метода изготовления, не нужно, печатаем на подложку как есть!
     Для программирования PIC контроллера 16F873A (16F873) можно использовать USB программатор PICkit2 Lite, описание которого можно найти ЗДЕСЬ.
     
     Провёл эксперименты с направленным ответвителем - наилучший результат показал ответвитель на отдельных кольцах взятых от мониторных кабелей (проницаемость не измерял, взял первые попавшиеся по размеру). На 28 мГц получил КСВ, при 50 Oмной нагрузке - 1.012, при 100 Ватт мощности . На НЧ диапазонах ещё лучше. Интересно, как поведёт себя ответвитель при мощности 1 кВт...
     
    На скорую руку намотанные трансформаторы тока (22 витка):
     
     
     
     При использовании двухдырочного феррита BN43-7051 получить КСВ на 28 мГц ниже 1.14 не удавалось. Рисунок печатки можно найти ЗДЕСЬ.
     Заметил, что чем дальше находятся кольца друг от друга, тем меньше уровень отражённой волны при согласованной нагрузке 50 Ом и точнее показания КСВ!
     
     Замеренная неравномерность показаний прямой волны от частоты (от 1.8 мГц до 28 мГц), а значит и показаний мощности, составила всего около 5...6%! А вероятно, что ещё меньше, так как контроль проводился не ВЧ вольтметром, а измерителем мощности ALAN KW-520, который так же имеет собственную погрешность.
     
     
     
     
     
     
    Просмотров: 59824 | Добавил: yl2gl
    Всего комментариев: 561 2 3 4 5 6 »
    56 yl2gl  
    0
    Доработка измерителя мощности и КСВ!

    55 UA3SLB  
    0
    Всем добрый вечер!Тут столько информации что голова разрывается.Развел плату под SMD.И сразу стопор.Под какой индикатор плата и сама схема какая.И нужна прошивка 0-1200ватт.

    54 yl2gl  
    0
    Есть два варианта подпайки дисплея - для старой схемы и для новой. Поищите на форуме и сравните - вполне вероятно, что припаяли не в том варианте, который нужен.

    53 Светофор  
    0
    еще раз залью фото

    http://s016.radikal.ru/i337/1603/
    b5/ba484bf33dd5.jpg

    52 Светофор  
    0
    все прошил,
    Подпаял дисплей а на экране вот что...
    Может кто-то сталкивался с подобным...
    Напомню что мк с буквой А в конце.

    51 yl2gl  
    0
    1. Можно, у меня используется такая, всё работает.
    2. Подключение к программатору можно найти здесь: http://www.labkit.ru/html/programmators_shm?id=86 - рисунок адаптера. Подключите программатор проводками к микросхеме в соответствии с приведёнными сигналами Vpp, Clock, Data, Vcc, GND согласно рисунку адаптера для корпуса DIP28. Надеюсь разберётесь.

    50 Светофор  
    0
    Подскажите можно ли использовать мк с буквой А в конце???
    если да,то к каким ногам для прошивки подключать пиккит2?

    49 Светофор  
    0
    Спасибо за ответ!

    48 yl2gl  
    0
    Да, точно. Как то не обращал на это внимание. Ориентируйтесь по версии прошивки, в названиях файлов стоит частота используемого кварца.

    47 Светофор  
    0
    Не могу разобраться....
    везде в статье на схемах указан кварц 16Мгц.
    А в текстах упоминание про 4МГц и 20Мгц...
    Так какой-же ставить?????????

    1-10 11-20 21-30 31-40 41-50 51-56
    Добавлять комментарии могут только зарегистрированные пользователи.
    [ Регистрация | Вход ]